登录
统一认证登录
首页
专业群资源库
在线课程
精品课程
数字教材
共享课程
智能体广场
资源中心
数据中心
数据监测
教学大数据
客户端
客户端
所属专业:
请选择专业
现代农业技术
园艺技术
农产品加工与质量检测
休闲农业经营与管理
园林技术
工程测量技术
建筑装饰工程技术
建筑室内设计
建筑工程技术
智能建造技术
工程造价
机械设计与制造
模具设计与制造
机电设备技术
机电一体化技术
工业机器人技术
无人机应用技术
新能源汽车技术
生物制药技术
高速铁路客运服务
汽车检测与维修技术
电子信息工程技术
物联网应用技术
计算机应用技术
计算机网络技术
软件技术
大数据技术
护理
康复治疗技术
婴幼儿托育服务与管理
金融服务与管理
大数据与财务管理
大数据与会计
中小企业创业与经营
市场营销
电子商务
网络营销与直播电商
现代物流管理
旅游管理
酒店管理与数字化运营
艺术设计
早期教育
学前教育
小学教育
小学语文教育
小学英语教育
小学科学教育
体育教育
健身指导与管理
社区管理与服务
智慧健康养老服务与管理
混合专业
公共课程专业
园林绿化
学前教育.
学前教育3+2
艺术设计3+2
大数据与会计3+2
公共课程
公共课
现代农业技术3+2
智能控制技术
学前教育2年制
旅游管理3+2
机电一体化技术3+2
公共选修课程
汉语言
业财数据应用与管理专业
会计
业财数据应用与管理
人工智能技术应用
公共文化服务与管理
智慧健康养老服务与管理(3+2)
汽车检测与维修技术3+2
所属课程:
请选择课程
媒体类型:
全部
文本类
图形/图像类
音频类
视频类
动画类
虚拟仿真类
PPT演示文稿
网页课件
富媒体
习题
试题
案例
其他素材
展开
收起
应用类型:
全部
专业标准
专业调研
行业标准
行业信息
技能竞赛
职业认证
专业资料
名师名家
课程标准
教学日历
教学设计
学习指南
教学录像
教学课件
工程录像
电子挂图
教学动画
教学案例
习题作业
实验/实训/实习
电子教材
文献资料
名词术语
模拟实训
学生作品
试卷
教学系统
教学音频
拓展阅读
其他
专业调研报告
专业人才培养方案
专业建设基本要求
行业法规
行业动态
职业标准
电子课件
说课录像
典型资源(企业案例、技术资料等)
参考文献
实训指导书
实训相关
企业培训
实践资源
展开
收起
×
温馨提示
请您先点击右上角登录
康耐视相机组态
文件类型:pptx
浏览次数:
0
次
下载次数:
0
次
文件大小:1207.85KB
57 基于西门子1200PLC Profinet通信#20180305
文件类型:pptx
浏览次数:
0
次
下载次数:
0
次
文件大小:1309.29KB
53 基于西门子1200PLC S7通信—服务器#20180305
文件类型:pptx
浏览次数:
0
次
下载次数:
0
次
文件大小:7614.47KB
54 基于西门子1200PLC S7通信—客户端#20180305
文件类型:pptx
浏览次数:
0
次
下载次数:
0
次
文件大小:5794.13KB
51 基于西门子1200PLC Modbus_TCP通信—服务器#20180304
文件类型:pptx
浏览次数:
0
次
下载次数:
0
次
文件大小:4906.5KB
52 基于西门子1200PLC Modbus_TCP通信—客户端#20180304
文件类型:pptx
浏览次数:
0
次
下载次数:
0
次
文件大小:7064.39KB
44 基于西门子1200PLC 位置控制绝对运动模式#20180303
文件类型:pptx
浏览次数:
0
次
下载次数:
0
次
文件大小:13383.76KB
43 基于西门子1200PLC 位置控制回原点#20180303
文件类型:pptx
浏览次数:
0
次
下载次数:
0
次
文件大小:15630.64KB
42 基于西门子1200PLC 位置控制相对运动模式#20180303
文件类型:pptx
浏览次数:
0
次
下载次数:
0
次
文件大小:10831.56KB
41 基于西门子1200PLC 位置控制点动正反转#20180303
文件类型:pptx
浏览次数:
0
次
下载次数:
0
次
文件大小:9842.17KB
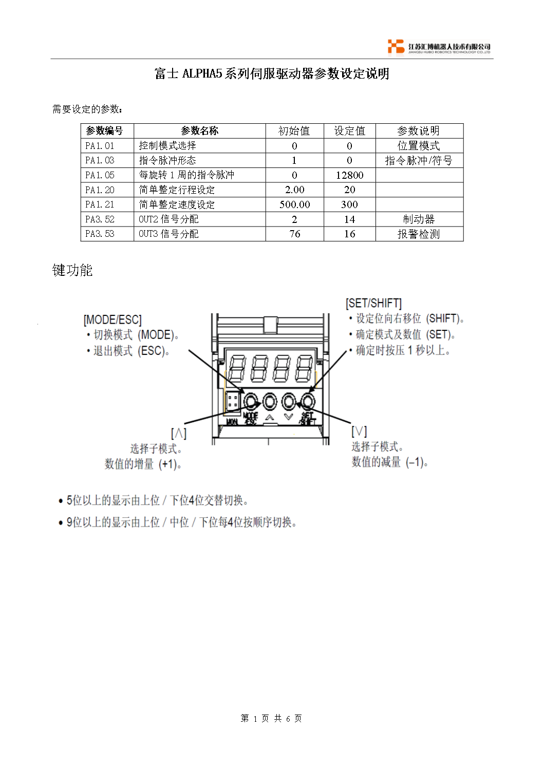
富士ALPHA5系列伺服参数设定说明
文件类型:doc
浏览次数:
0
次
下载次数:
0
次
文件大小:655KB
富士伺服电机用户手册(全)ALPHA5 smart
文件类型:pdf
浏览次数:
0
次
下载次数:
0
次
文件大小:32685.74KB
32 基于西门子1200PLC 控制交流电机模拟量调速#20180303
文件类型:pptx
浏览次数:
0
次
下载次数:
0
次
文件大小:8117KB
台达变频器VFD-EL参数设定说明
文件类型:doc
浏览次数:
0
次
下载次数:
0
次
文件大小:304KB
台达VFD-EL使用手册
文件类型:pdf
浏览次数:
0
次
下载次数:
0
次
文件大小:9580.74KB
31 基于西门子1200PLC 控制交流电机点动运行#20180303
文件类型:pptx
浏览次数:
1
次
下载次数:
0
次
文件大小:5207.47KB
31 基于西门子1200PLC 控制交流电机点动运行#20180303
文件类型:pptx
浏览次数:
0
次
下载次数:
0
次
文件大小:5207.47KB
任务五 小车移动监控系统
文件类型:pptx
浏览次数:
0
次
下载次数:
0
次
文件大小:5149.9KB
任务四 移动动画制作
文件类型:pptx
浏览次数:
0
次
下载次数:
0
次
文件大小:5154.09KB
任务三 文本域及图形视图使用
文件类型:pptx
浏览次数:
0
次
下载次数:
0
次
文件大小:5078.76KB
共有
4117
个记录
197/206页
<<
<
194
195
196
197
198
199
200
>
>>
到第
页
京公安网备11010502050899号 Copyright © 2022-2030 . All rights reserved.
京ICP备17074418号-6
信息系统安全等级保护备案证明